如何分析电视机声频遥控开关电路?
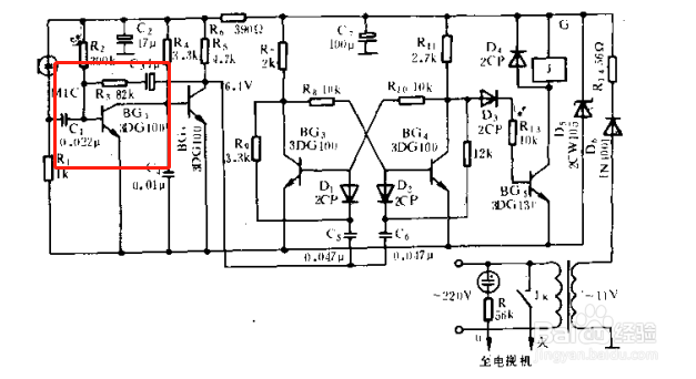
1、电路如图所示,BG1、BG2组成直接耦合声频放大电路,由电容C1将电路频响限制在三千赫兹左右,为高灵敏工作范围,对拍手声和哨声特别敏感。

2、当有声频信号输入时,BG1集电极输出正阶跃电压,可在BG2集电极上得到一个幅度为6V左右的负方波,用来触发双稳态电路。

3、BG3、BG4组成双稳态电路,在 电源开关K1刚一接通时,双稳态电路的状态为BG3截止,BG4饱和,BG5随之截止,继电器J不动作。

4、有负方波输入时,经过微分电路处理后的负尖脉冲通过D2加在BG4基极,使电路迅速翻转,继电器吸合,触点Jk接通,电视机得电工作。

5、当你再次发出指令声频信号,电路恢复初始状态,继电器释放,切断电视机电源。

阅读量:83
阅读量:192
阅读量:25
阅读量:97
阅读量:170