乐乐经验网
首页
美食营养
生活百科
知识问答
生活知识
返回
乐乐经验网
首页
美食营养
游戏数码
手工爱好
生活知识
生活百科
健康养生
运动户外
职场理财
情感交际
母婴教育
时尚美容
知识问答
更多知识
搜索
易驱M300-4T2000M频器使用说明书:[5]
2026-04-04 16:38:06
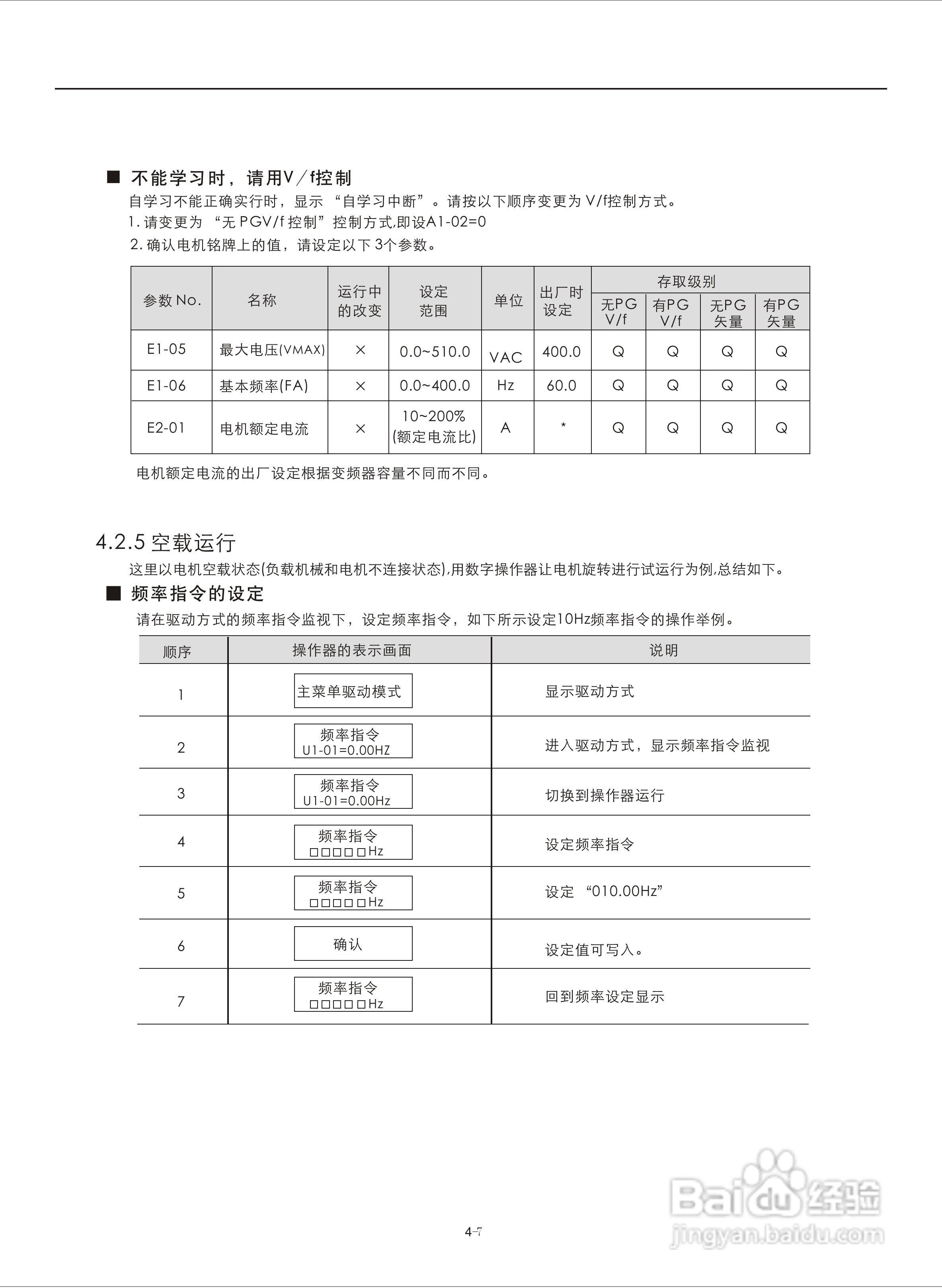
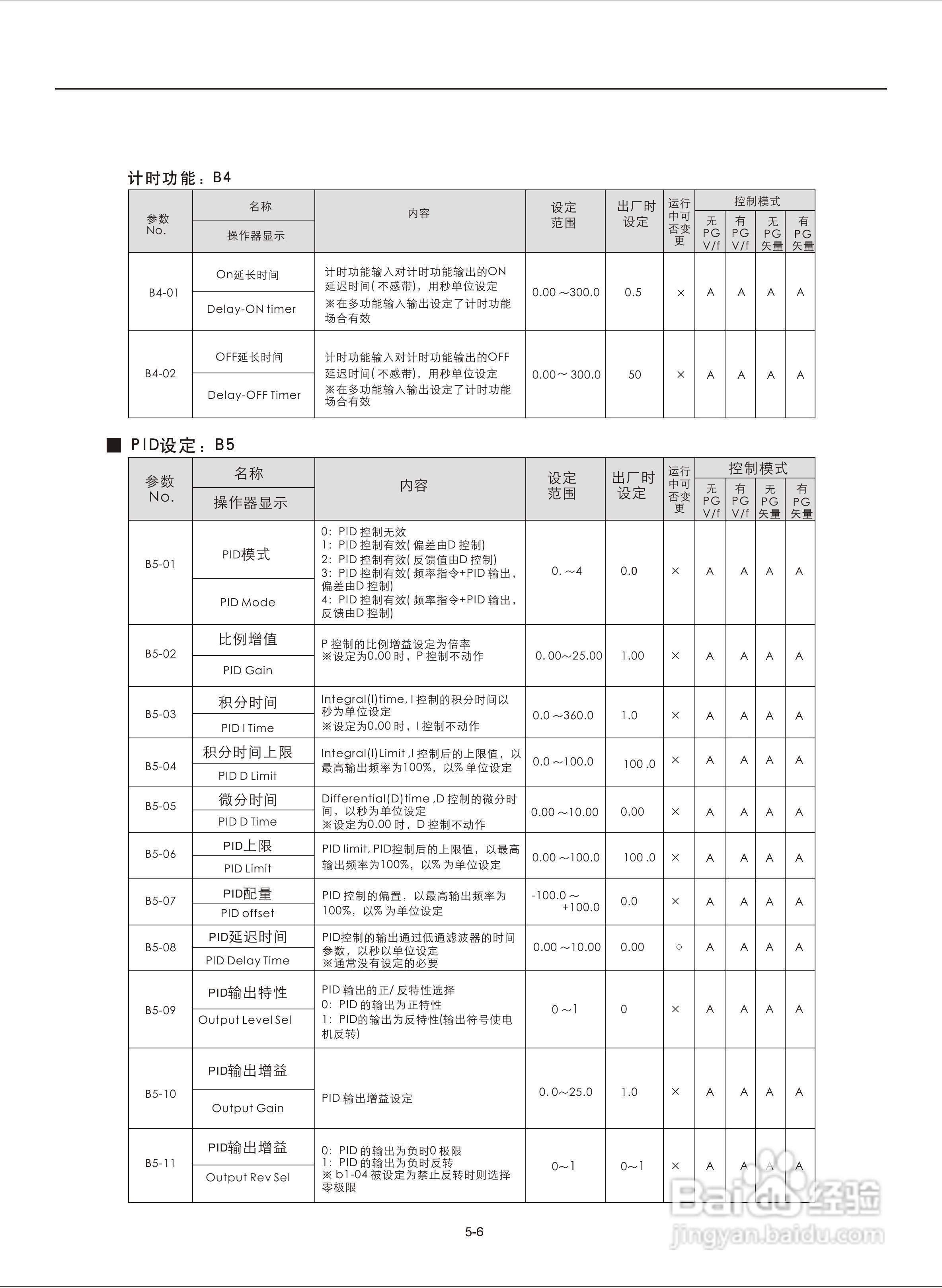
本篇为《易驱M300-4T2000M频器使用说明书》,主要介绍该产品的使用方法以及常见故障解决方案。
(共篇)
上一篇:
|
下一篇:
相关推荐
易驱M300-4T2000M频器使用说明书:[13]
阅读量:84
易驱M220-4T0930FPVER0M00变频器使用说明书:[5]
阅读量:93
易驱M220-4T0930FPVER0M00变频器使用说明书:[7]
阅读量:103
易驱M220-4T0930FPVER0M00变频器使用说明书:[1]
阅读量:181
易驱M220-4T0930FPVER0M00变频器使用说明书:[2]
阅读量:50
猜你喜欢
10月工资可以提前至9月发
大理旅游地图
怎么p图片
玉林旅游
深圳华侨城旅游度假区
眼睛畏光是怎么回事
哪些学校可以专升本
平安保险工作怎么样
养老保险可以补交吗
电脑蓝牙怎么连接手机
猜你喜欢
资生堂洗发水怎么样
黑人尺寸太大怎么进去
色弱可以考驾照吗
孕妇可以吃香菜吗
东莞旅游
童话的特点
名爵3怎么样
美式风格特点
小孩吐是怎么回事
毛衣缩水怎么恢复