乐乐经验网
首页
美食营养
生活百科
知识问答
生活知识
返回
乐乐经验网
首页
美食营养
游戏数码
手工爱好
生活知识
生活百科
健康养生
运动户外
职场理财
情感交际
母婴教育
时尚美容
知识问答
更多知识
搜索
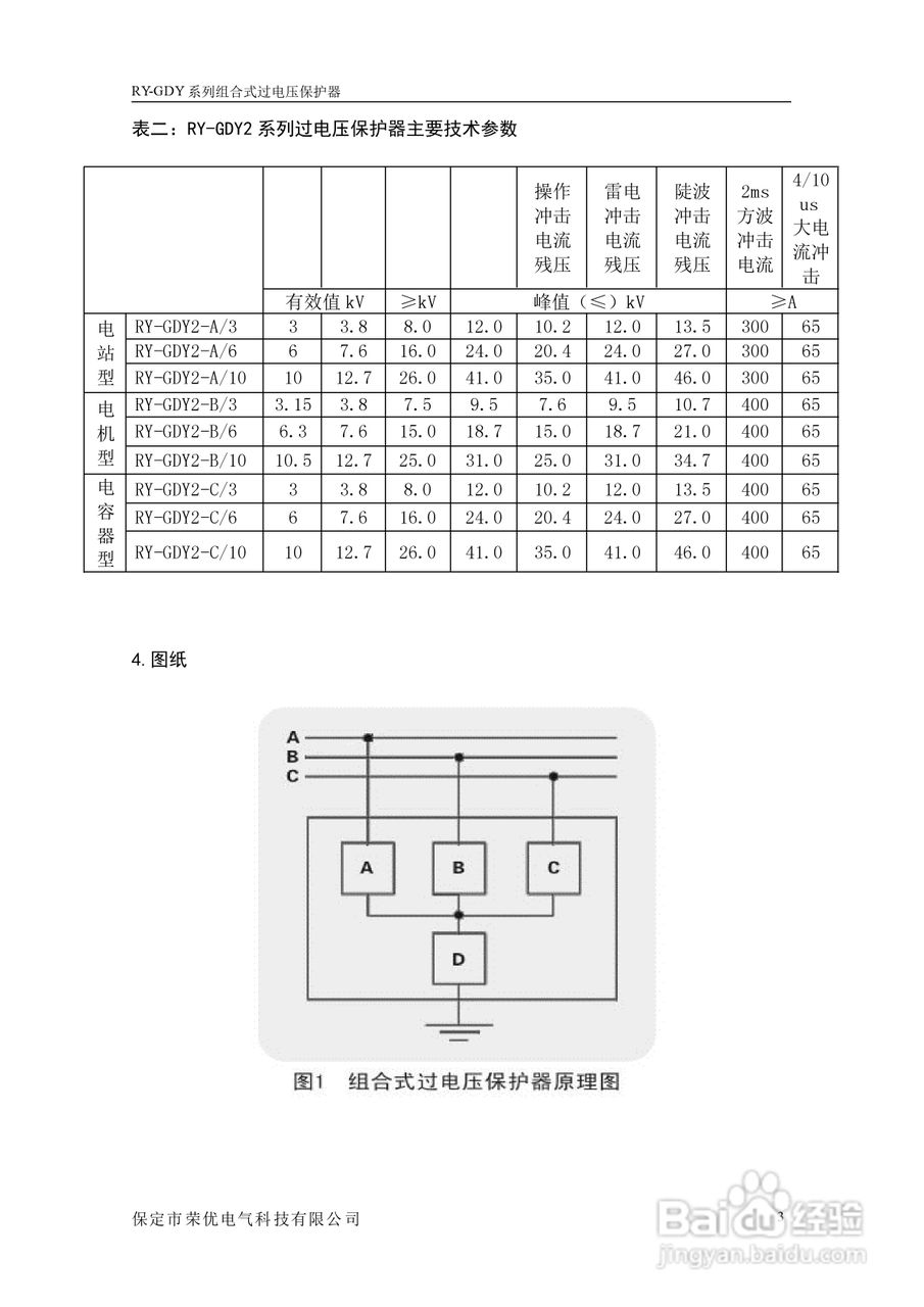
荣优RY-GDY2-C/10组合式过电压保护器使用说明书
2026-02-13 07:37:43
相关推荐
声宝WK-W513ML型CD随身听说明书
阅读量:79
Windows10-14352版系统恢复语言栏位置的方法?
阅读量:111
快速记忆单词-前缀un7
阅读量:98
海尔DV-U6数码摄相机使用说明书:[1]
阅读量:72
JXK SEP-2000交联反应型自粘防水卷材施工步骤
阅读量:195
猜你喜欢
杏的功效与作用
大学生运动会新闻稿
类风湿什么症状
地震知识
葛花的作用与功效
太子参的功效与作用
安化黑茶的功效与作用
学什么好
核桃分心木泡水喝的功效与作用
玻璃酸钠的作用
猜你喜欢
施保利通片的作用
用什么泡脚最好
吉他乐理知识
柿子的功效与作用禁忌
我的世界天堂有什么
数列知识点
运动会开幕式通讯稿
三阴焦位置图和作用
技校什么专业好
摄影入门用什么相机